全球最实用的IT互联网站!
人工智能P2P分享搜索全网发布信息网站地图标签大全
感应电机和无刷电机哪个好_感应电机和无刷电机
阅读全文2023-03-10
单相异步电动机为什么不能自行起动?
同步电动机的失步与起动问题如何克服解决
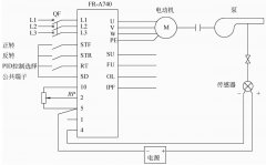
变频器的并联运行案例
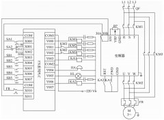
PLC控制的变频/工频自动切换电路详解
简述永磁同步电机的特性
电动机保护用断路器的选择原则
PID控制器的传递函数
PLC控制的多段速度给定
变频器的应用实例(二)
pwm控制的基本原理
日本HarmonicDrive哈默纳科谐波减速机的三大
支持工业4.0工厂的大规模定制、高质量和
机器视觉系统的主要工作流程是怎样的
CPU | 内存 | 硬盘 | 显卡 | 显示器 | 主板 | 电源 | 键鼠 | 网站地图
Copyright © 2025-2035 诺佳网 版权所有 备案号:赣ICP备2025066733号 本站资料均来源互联网收集整理,作品版权归作者所有,如果侵犯了您的版权,请跟我们联系。