全球最实用的IT互联网信息网站!
AI人工智能P2P分享&下载搜索网页发布信息网站地图
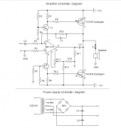
分享一个摩托罗拉放大器电路
阅读全文2023-05-13
基于TDA7295的80W音频放大器电路
盘点当代消费电子“新四大件”
阅读全文2023-05-12
超全面音频TDD Noise案例分享
基于LA4440的立体声功率放大器电路
阅读全文2023-05-11
启英泰伦完成数千万元B++轮融资 智能语音芯片为
新颖的降低轮胎噪音方法——音高序列工程
知存科技WTM存内计算芯片原理分析
智能音箱与ChatGPT能擦出什么样的火花?
阅读全文2023-05-10
磁性材料常见的30个问题
低成本、易部署、更高效 | 千视全NDI IP剧
音频电路供电没有负压也能正常输出的原
富信推出新款双P沟道增强型场效应管FS
制冷系统和制冷机一样吗 制冷系统和制冷
CPU | 内存 | 硬盘 | 显卡 | 显示器 | 主板 | 电源 | 键鼠 | 网站地图
Copyright © 2025-2035 诺佳网 版权所有 备案号:赣ICP备2025066733号 本站资料均来源互联网收集整理,作品版权归作者所有,如果侵犯了您的版权,请跟我们联系。