全球最实用的IT互联网信息网站!
AI人工智能P2P分享&下载搜索网页发布信息网站地图
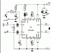
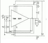
可输出50W音频功率的TDA1514放大器电路
阅读全文2023-05-23
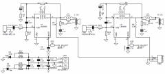
一个带有TDA1562Q的汽车音频放大器电路
一款简单的MOSFET功率音频放大器电路
TDA2030音频放大器电路图分享
锂电池3C认证及测试标准
采用LM3886的高性能立体声音频放大器电路
基于LM555构建的AM收音机
汉威推出多系列智能家电传感器解决方案
NV170D语音芯片的优势有哪些?
阅读全文2023-05-22
锂电池3c认证-国标GB31241-2022
低成本、易部署、更高效 | 千视全NDI IP剧
音频电路供电没有负压也能正常输出的原
富信推出新款双P沟道增强型场效应管FS
制冷系统和制冷机一样吗 制冷系统和制冷
CPU | 内存 | 硬盘 | 显卡 | 显示器 | 主板 | 电源 | 键鼠 | 网站地图
Copyright © 2025-2035 诺佳网 版权所有 备案号:赣ICP备2025066733号 本站资料均来源互联网收集整理,作品版权归作者所有,如果侵犯了您的版权,请跟我们联系。