全球最实用的IT互联网信息网站!
AI人工智能P2P分享&下载搜索网页发布信息网站地图
DC电源模块关于多路输出的问题
阅读全文2023-08-09
功率放大器的实质是什么
高压放大器在电路中的作用是什么呢
光伏行业数字化转型的关键步骤是什么
LG新能源与华友钴业成立锂电回收合资企业
高压放大器原理是什么
阅读全文2023-08-08
压敏电阻损坏的原因有哪些
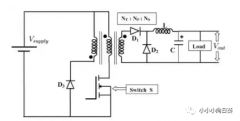
开关电源的工作原理 反激式转换器和正激式转换
户外储能电池的可靠性和耐久性设计
提高电源适配器效率,满足六级能效的几个小秘
两款SiC MOSFET在智能断路器中的应用分析
LM2773系列 低纹波1.8V/1.6V扩频开关电容降压
TPS63810 2.5A 高效降压-升压转换器,带 I²
TPS63900 1.8V 至 5.5V、75nA IQ 降压-升压转换器
CPU | 内存 | 硬盘 | 显卡 | 显示器 | 主板 | 电源 | 键鼠 | 网站地图
Copyright © 2025-2035 诺佳网 版权所有 备案号:赣ICP备2025066733号 本站资料均来源互联网收集整理,作品版权归作者所有,如果侵犯了您的版权,请跟我们联系。