全球最实用的IT互联网信息网站!
AI人工智能P2P分享&下载搜索网页发布信息网站地图
DC电源模块在工业控制器中的重要性
阅读全文2023-08-10
三极管开关电路驱动电阻如何选择
2020-2023H1锂电池募投资金“流向”
三电源切换电路图和工作原理讲解
电池安全警钟长鸣,炜盛科技携重磅新方案亮相
阅读全文2023-08-09
三路输出电源电路图
5V 10A 50W离线式开关电源电路图
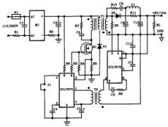
12V/10A开关电源电路图
整流桥堆型号怎么看 四脚整流桥怎么接线
恒流恒压电源电压低的原因 怎样将恒流电源改成
两款SiC MOSFET在智能断路器中的应用分析
LM2773系列 低纹波1.8V/1.6V扩频开关电容降压
TPS63810 2.5A 高效降压-升压转换器,带 I²
TPS63900 1.8V 至 5.5V、75nA IQ 降压-升压转换器
CPU | 内存 | 硬盘 | 显卡 | 显示器 | 主板 | 电源 | 键鼠 | 网站地图
Copyright © 2025-2035 诺佳网 版权所有 备案号:赣ICP备2025066733号 本站资料均来源互联网收集整理,作品版权归作者所有,如果侵犯了您的版权,请跟我们联系。