全球最实用的IT互联网信息网站!
AI人工智能P2P分享&下载搜索网页发布信息网站地图
HDMI 2.1:引导 GenX 音频视频体验
阅读全文2023-05-26
基于博流BL606P音视频开发板的智能音箱测评
HDMI:加扰如何实现更高的数据速率
HDMI ARC的强大功能
RS瑞森半导体低压MOS-SGT在电动平衡车上的应用
阅读全文2023-05-25
戴森空气净化耳机 马达控制方案全解析
阅读全文2023-05-24
名侦探白洞(一):智能家居灵异事件
基于STK4241V的音频放大器电路图
阅读全文2023-05-23
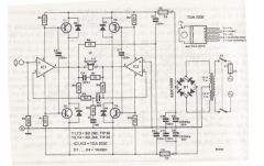
基于两个TDA2030的音频放大器电路
分享一款红外耳机发射电路
低成本、易部署、更高效 | 千视全NDI IP剧
音频电路供电没有负压也能正常输出的原
富信推出新款双P沟道增强型场效应管FS
制冷系统和制冷机一样吗 制冷系统和制冷
CPU | 内存 | 硬盘 | 显卡 | 显示器 | 主板 | 电源 | 键鼠 | 网站地图
Copyright © 2025-2035 诺佳网 版权所有 备案号:赣ICP备2025066733号 本站资料均来源互联网收集整理,作品版权归作者所有,如果侵犯了您的版权,请跟我们联系。