全球最实用的IT互联网信息网站!
AI人工智能P2P分享&下载搜索网页发布信息网站地图
创建3D打印智能灯丝传感器的教程
阅读全文2022-07-12
如何利用DHT22实现蛇形小音箱的设计
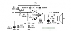
基于TDA2050构建的Hi-Fi功率音频放大器电路
基于TDA2052的60W功率音频放大电路
基于TDA7381的4 x 25W四路音频放大器电路
基于TDA7295构建的80W音频放大电路
一个声控开关电路图分享
20段立体声图形均衡器的电路图
影音系统中的扬声器设计结构
盘点各大智能家居企业IoT平台发展情况
低成本、易部署、更高效 | 千视全NDI IP剧
音频电路供电没有负压也能正常输出的原
富信推出新款双P沟道增强型场效应管FS
制冷系统和制冷机一样吗 制冷系统和制冷
CPU | 内存 | 硬盘 | 显卡 | 显示器 | 主板 | 电源 | 键鼠 | 网站地图
Copyright © 2025-2035 诺佳网 版权所有 备案号:赣ICP备2025066733号 本站资料均来源互联网收集整理,作品版权归作者所有,如果侵犯了您的版权,请跟我们联系。