全球最实用的IT互联网信息网站!
AI人工智能P2P分享&下载搜索网页发布信息网站地图
LTC4067满足电压敏感型电池供电型器件的需求设计
阅读全文2023-03-23
可充电电池和快速独立充电器概述
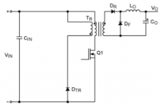
设计单开关、谐振复位、正激式转换器
电流模式反激式DC/DC控制器提供极大的设计灵活性
解释DS2786的开路电压(OCV)电量计
《AEM》:用于快充钠离子电池的多电子反应阴极
《Small》:新型原位硒化和单原子稳定的异质结构
智能家居中电池特性分析及设计方案
专业音频应用中生成负电源轨的方案
如何为您的高压系统选择合适的电流检测技术
两款SiC MOSFET在智能断路器中的应用分析
LM2773系列 低纹波1.8V/1.6V扩频开关电容降压
TPS63810 2.5A 高效降压-升压转换器,带 I²
TPS63900 1.8V 至 5.5V、75nA IQ 降压-升压转换器
CPU | 内存 | 硬盘 | 显卡 | 显示器 | 主板 | 电源 | 键鼠 | 网站地图
Copyright © 2025-2035 诺佳网 版权所有 备案号:赣ICP备2025066733号 本站资料均来源互联网收集整理,作品版权归作者所有,如果侵犯了您的版权,请跟我们联系。