全球最实用的IT互联网信息网站!
AI人工智能P2P分享&下载搜索网页发布信息网站地图
实用电动窗帘电路图
阅读全文2009-07-30
预热式沐浴水箱水位自控器电路图
电冰箱自动保护器电路图
自动循环定时器电路图
数字式长延时电路图
高压脉冲发生器电路图
将单电源转换双电源电路图
简式镍镉电池充电器电路图
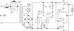
双继电器100~200W全自动稳压器剖析电路图
SpringSoft Laker定制版图系统支持TSMC跨平
比科奇推出5G小基站开放式RAN射频单元的
今日看点丨传英特尔将推Gaudi2降规版抢攻
浩亭庆祝越南工厂正式投产
贸泽现已开售运行速度远超前代产品的树
CPU | 内存 | 硬盘 | 显卡 | 显示器 | 主板 | 电源 | 键鼠 | 网站地图
Copyright © 2025-2035 诺佳网 版权所有 备案号:赣ICP备2025066733号 本站资料均来源互联网收集整理,作品版权归作者所有,如果侵犯了您的版权,请跟我们联系。