全球最实用的IT互联网信息网站!
AI人工智能P2P分享&下载搜索网页发布信息网站地图
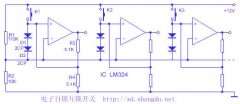
电子自锁互锁开关电路图
阅读全文2009-07-29
多个开关控制一个灯的方法电路图
摩托车刹车灯延时熄灯电路图
红外线自动水龙头电路图
内带E2PROM的数字电位器电路图
不用电池的双音门铃电路图
自制快速干手器电路图
可燃气体全自动点火器电路图
顺序定时电路图
多点控制走廊定时灯电路图
比科奇推出5G小基站开放式RAN射频单元的
今日看点丨传英特尔将推Gaudi2降规版抢攻
浩亭庆祝越南工厂正式投产
贸泽现已开售运行速度远超前代产品的树
CPU | 内存 | 硬盘 | 显卡 | 显示器 | 主板 | 电源 | 键鼠 | 网站地图
Copyright © 2025-2035 诺佳网 版权所有 备案号:赣ICP备2025066733号 本站资料均来源互联网收集整理,作品版权归作者所有,如果侵犯了您的版权,请跟我们联系。