全球最实用的IT互联网信息网站!
AI人工智能P2P分享&下载搜索网页发布信息网站地图
TI推动DLP技术深入消费层面,加速3D投影发展
阅读全文2009-07-30
mico:2013年SIP市场规模达40亿美元
DC-DC高亮LED驱动电路图
阅读全文2009-07-29
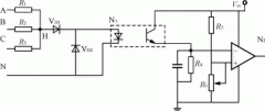
三相四线制的缺相保护电路图
红外线光控开关电路图
红外线遥控鼠标器的工作原理 电路图
实用的闪烁灯电路图
精密秒脉冲发生器电路图
拉压式传感器制作的电子秤电路图
大功率开关—晶体管的重要任务电路图
比科奇推出5G小基站开放式RAN射频单元的
今日看点丨传英特尔将推Gaudi2降规版抢攻
浩亭庆祝越南工厂正式投产
贸泽现已开售运行速度远超前代产品的树
CPU | 内存 | 硬盘 | 显卡 | 显示器 | 主板 | 电源 | 键鼠 | 网站地图
Copyright © 2025-2035 诺佳网 版权所有 备案号:赣ICP备2025066733号 本站资料均来源互联网收集整理,作品版权归作者所有,如果侵犯了您的版权,请跟我们联系。