全球最实用的IT互联网信息网站!
AI人工智能P2P分享&下载搜索网页发布信息网站地图
简易晶振测试电路图
阅读全文2009-07-30
精确的峰值--谷值检测器电路图
一种检查彩电三无故障的插座电路图
触摸式互锁电子开关电路图
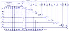
八路互锁开关电路图
电子保健小夜灯电路图
交直流两用暗室安全灯电路图
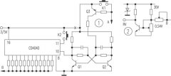
二进制计数电位器电路图
光电耦合器的应用电路图
电源的分类及知识
比科奇推出5G小基站开放式RAN射频单元的
今日看点丨传英特尔将推Gaudi2降规版抢攻
浩亭庆祝越南工厂正式投产
贸泽现已开售运行速度远超前代产品的树
CPU | 内存 | 硬盘 | 显卡 | 显示器 | 主板 | 电源 | 键鼠 | 网站地图
Copyright © 2025-2035 诺佳网 版权所有 备案号:赣ICP备2025066733号 本站资料均来源互联网收集整理,作品版权归作者所有,如果侵犯了您的版权,请跟我们联系。